![]() |
![]() |
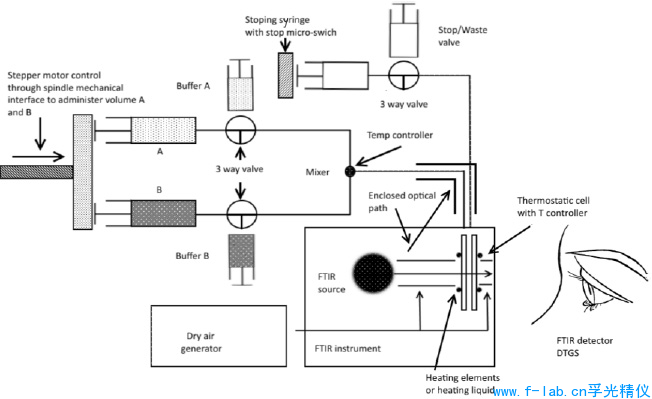
这 个FTIR快速混合配件作为单或双机动驱动单元,配备有一个恒温供应管(600mm),有硒化锌(ZnSe)(或其他)窗户和整体式混合器的1mm路径长 度的样品室,3“×2”滑座,(2)5ml样品驱动注射器和一个储存器的注射器。快速动力附件是,结合光谱技术和快速搅拌技术,促进样品溶液轻松注入其他 仪器的*一设备。此系列产品,为满足快速混合应用的不同的需求而设计,应用包括为了光谱监测溶液的快速反应的停流。FTIR快速混合配件包括一个驱动单 元,恒温供应管和有整体式混合器的样品室。FTIR快速混合配件由惰性材料构造而成,配件里试剂会发生接触,操作者通过密封样品流电路免受危险化学品伤 害。
FTIR快速动力学停流光谱仪停流的核心
核心是一个高效率Ť格式混合器,混合器有可变混合比率从100微升至5毫升,并配置成可手动或气动驱动操作。标准的双注射器系统能够精确混合流室内的两 种溶液。后者在选择注射量时*有灵活性。一个三注射器多混合系统可用于需要FTIR或其他光谱(如紫外可见荧光)的应用。注射器安装在恒温控制样品电路 外,可放置变化比例混合应用程序,程序*换方便快捷。注射器的安放也防止了在低温下任何可能的泄漏
FTIR快速动力学停流光谱仪停流软件
该软件包括所有可能的光谱分析程序,有获取光谱,显示光谱(如堆栈叠加),光谱处理,如基线校正,减,建立或搜索库,曲线拟合,(多元)校准技术,动力模块等丰富功能。提供用于停流分析的所有动力学模块。
FTIR7600傅立叶变换红外光谱仪是顶级的分析技术,用于标识有机以及无机材料。FTIR7600是一个单光束光谱仪,扫描速度快,精度高。FTIR7600由电脑操作,电脑有用户友hao型软件和综合指南。它还是工业,科学和质量控制领域的各种分析应用的重要工具。可以连接不同类型的附件来扩展功能,例如采样卡;液体细胞;空气电池; ATR和其他。
高度稳定的光学系统
便携式傅里叶变换红外光谱仪
低温恒温器
激光闪光光解仪
快速扫描停流光谱仪系统
傅里叶红外光谱显微镜
稳定型傅立叶红外光谱仪
衰减全反射FTIR光谱仪
FTIR光谱仪
化学品拉曼光谱检测仪
手持式土壤重金属分析仪
手持式土壤重金属分析仪
手持式矿石元素分析仪
手持式合金分析仪
手持式X射线XRF分析仪
X射线光谱有害元素分析仪
傅里叶变换红外光谱仪
