当前位置: 首页  >> 产品展示  >> 测试测量仪器  >> 光纤传感器  >> 光纤应变传感器  >> 查看详情
光栅光纤应变传感器_光学应变传感器_价格_品牌
  • 光栅光纤应变传感器_光学应变传感器_价格_品牌

光栅光纤应变传感器

这款光栅光纤应变传感器是为大坝,桥梁,岩土,钢构应力应变监测设计的光学应变传感器,广泛用于光纤应力应变传感测量,采用点焊可焊接到结构表面监测应力应变,安装简单方便,并且可立刻使用监测应力。应力灵敏度:~1.4pm/uε,工作温度范围:-40~80℃,测量应力极限:+/-2500uε
型号:
FPMIC-OS3150
品牌:
价格:
¥0.00
类别:
在线客服邮箱 info@f-lab.cn 服务热线  021-2279 9028 您也可网站留言或在线客服留言垂询,辅光仪器-规模型进口精密科学仪器供应商欢迎您!

销售排行榜

    暂无信息

推荐

浏览历史

  • 商品详情
这款光栅光纤应变传感器是为大坝,桥梁,岩土,钢构应力应变监测设计的光学应变传感器,广泛用于光纤应力应变传感测量,采用点焊可焊接到结构表面监测应力应变,安装简单方便,并且可立刻使用监测应力。
这款光栅光纤应变传感器具有*高使用寿命和应力测量范围,即可以使用,也可以组成传感器列阵使用。
光栅光纤应变传感器还适合各种钢结构表面应变测量,这得益于传感器基底采用不锈钢材料,不仅保护光纤,还方便安装固定到各种钢构材料上。这款光栅光纤应变传感器OS3150不具备温度补偿功能,如果需要温度补偿功能的应变传感器,请选择OS3155型号。
$title
光栅光纤应变传感器安装使用
光栅光纤应变传感器OS3150两端的光纤尾纤采用铠装结构,这种结构可以与接头保护套一起使用,使用非常方便。即可以单*使用,也可以串联使用。
光栅光纤应变传感器you势
与电阻应变片传感器相比,这种光栅光纤应变传感器OS3150具有*高的灵敏度和精度,量程*大,疲劳寿命*高,寿命是电阻应变片的100倍,并且适合各种恶劣环境使用。
光栅光纤应变传感器*点
可焊接安装或粘贴安装,安装快速方便
一条光纤可继承多个传感器
适合恶劣环境使用
光栅光纤应变传感器应用
结构健康监测(桥梁,大坝,隧道,建筑物,矿井,采油平台等)
能源领域(风力发电机,油井,管道,核反应堆,发电机等)
交通领域(铁路,火车,汽车等)
航空航天
光栅光纤应变传感器参数
应力灵敏度:~1.4pm/uε
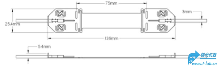
传感器标距:75mm
工作温度范围:-40~80℃
测量应力极限:+/-2500uε
疲劳寿命:1000x10^6循环@+/-2000uε
重量:15g
材质:302不锈钢封装
尾纤长度:两端各1米+/-10厘米
光纤接口:SMF28-compatible
保护套类型:3mm铠装光纤光缆
连接头:可选
尾纤弯曲半径:>=17mm
安装方式:点焊
反射率:>70%
3dB带宽:0.25nm+/-0.05nm
隔离度:>15dB
$title
光栅光纤应变传感器OS3150结构尺寸图

相关商品

新手上路
顾客必读会员等级折扣订单的几种状态商品退货保障
购物指南
购物流程会员介绍常见问题联系客服
配送方式
上门自提211限时达配送服务查询配送费收取标准海外配送
支付方式
货到付款在线支付邮局汇款公司转账
售后服务
售后政策价格保护退款说明返修/退换货取消订单
辅光仪器
辅光仪器
客服系统